| Sign In | Join Free | My portofva.com |
|
Brand Name : ESTEL
Model Number : ET6060200D
Certification : ISO9001, CE, UL, FCC
Place of Origin : China
MOQ : 1PC
Payment Terms : T/T, L/C, D/A, D/P, Western Union, MoneyGram
Supply Ability : 1800PCS per month
Delivery Time : 15 to 20 days
Packaging Details : Wooden Case with Pallet
External Dimension : W×D×H 600×600×2000mm
Material : Cold rolled steel, 1.0mm
User space : 42U 19" rack
Color : RAL7035
IP Level : IP21
Door : One front door
Accessories : MCCB, MCB, SPD, meters(voltage and current), diodes, copper busbar, cable, breaker deadfront cover etc
Cable Entry : On the bottom
Input voltage : DC48V
Application : Utility
Price : 715-4286 usd
Customizable Indoor Power Distribution Cabinet For Data Centers And Power Supply Stations Grid
1. Application
Power distribution cabinet is an important facility responsible for power distribution, control and protection in the power system, mainly used in power grids, power supply stations, industrial plants, data centers, shopping malls and large buildings, hospitals and schools.
2. Features and advantages
(1) Flexible and diverse
It can be customized according to the actual needs of users, including cabinet size, electrical component configuration, wiring methods, etc., which can be adjusted to meet the requirements of different occasions.
(2) Compact structure, space saving
Modern distribution cabinet design fully considers the maximization of space utilization, adopting a modular design concept to make the cabinet structure compact and orderly. This design not only reduces the footprint, but also facilitates the installation of more electrical equipment in limited space, improving space utilization. Meanwhile, the compact structure also helps to reduce cable connection length, lower line losses, and improve system efficiency.
(3) Safe and reliable
The distribution cabinet is made of high-quality materials and advanced manufacturing processes, equipped with multiple protection devices, which can effectively detect and isolate circuit faults, such as circuit breakers, fuses, relays, etc., so as to timely cut off the power supply in case of overload, short circuit and other abnormal situations in the circuit, protecting equipment and personnel safety
(4) Easy to maintain
The components and storage equipment of the distribution cabinet are easy to disassemble and replace, making maintenance and repair convenient. At the same time, the distribution cabinet can perform fault monitoring and alarm, timely detect and eliminate faults
(5) Efficient and energy-saving
The distribution cabinet adopts advanced energy-saving technology and intelligent control system to improve energy utilization and reduce energy waste
3. Configuration list
| NO | DESCRIPTION | SPECS |
| 1 | Indoor Distribution Cabinet | (1) External Dimension: W×D×H 600×600×2000mm (2) One compartment: include 42U 19" rack (3) With one front door(steel plate) and cabinet lock (4) Material: cold rolled steel,single wall (5) Color: RAL7035 (6) Including MCCB, MCB, SPD, meters(voltage and current), diodes, copper busbar, cable, breaker deadfront cover etc (7) Package: wooden case |
4. Cabinet Diagram

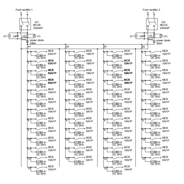
5. Electrical Schematic Diagram

6. Product Picture


7. Packing and Shipping

|
|
Customizable Indoor Power Distribution Cabinet For Data Centers And Power Supply Stations Grid Images |